El ST-901M es uno de los localizadores GPS de reducidas dimensiones de SinoTrack. Es un dispositivo con una relación calidad precio inmejorable, ideal para usar tanto en vehículos de dos y cuatro ruedas, como en bicicletas y monopatines eléctricos. Gracias a su fácil instalación podremos tener localizados nuestros medios de transportes sin tener grandes conocimientos eléctricos, prácticamente es plug&play.
Ventajas y Desventajas del GPS Tracker ST-901M
Este localizador GPS es igual de útil para un particular que para el dueño de una flota de vehículos, y es que las ventajas son innumerables:
- Un localizador barato para su calidad: es un producto de alta gama que se puede adquirir por un precio bastante ajustado para las prestaciones que ofrece.
- Alimentación: funciona con corriente continua (DC) y gracias a su amplio rango de funcionamiento (9 a 60 v) podemos conectar infinidad de dispositivos. Desde vehículos que usan baterías de 12v y 24v hasta patinetes o bicicletas eléctricas que usan baterías de 48v o superiores.
- Comunicaciones móviles: dispone exclusivamente la tecnología 2G para conectarse a la red móvil, y aunque puedas pensar que es insuficiente, te equivocas, ya que es una tecnología optima para este tipo de dispositivos gracias a su bajo costo y bajo consumo de batería.
- Gran precisión de posicionamiento: el dispositivo es capaz de posicionar las coordenadas con un error menor de 5 metros.
- Corta corrientes: este modelo en concreto tiene la opción de usar un corta corrientes para que bien a golpe de clip o enviando un SMS podamos cortar la bomba de gasolina inutilizando el vehículo si ha sido robado.
- Plataforma de seguimiento: es bien sabido que la marca SinoTrack dispone de una plataforma de seguimiento estable y fiable. Podemos acceder a ella vía Web o bien con su App móvil, además podemos configurarlo para poder usar otras plataformas de seguimiento como por ejemplo Traccar.
- Localización y funcionalidades: es posible realizar seguimiento en tiempo real del dispositivo, ver el historial de rutas, kilometraje acumulado, alertas de velocidad, recibir SMS o llamadas de teléfono por eventos como salir de Geovalla, encendido del coche, si el vehículo esta siendo remolcado, aviso de movimiento, etc.
Ventajas del ST-901M
- Localizador de muy buenas prestaciones para su bajo precio.
- Gracias al GPS tiene una excelente precisión, inferior a los 5 metros. En caso de no disponer de cobertura GPS puede usar de backup el LBS, aunque con este sistema tenemos mayores errores de entre los 100 y 1.000 metros según que condiciones se den.
- Dispone de cortacorrientes, ideal para inmovilizar el vehículo en caso de robo, tan solo enviando un SMS podrás cortar la bomba de gasolina.
Desventajas ST-901M
- No es un dispositivo estanco, solo soporta salpicaduras IP52.
- No dispone de batería interna, si se corta la fuente principal de corriente dejará de funcionar.
- No podemos evitar que si nos hacen una llamada mande a ese número un SMS con la localización. Así que lo mejor es no dar ese número a nadie y esperar que en alguna de las actualizaciones mejoren la seguridad.
Plataforma de Seguimiento de SinoTrack Pro
Además de tener localizado nuestro GPS Tracker por llamada de teléfono o SMS, la marca SinoTrack pone a nuestra disposición una plataforma de seguimiento gratuita para todos los propietarios de un localizador GPS. Cada dispositivo que tengamos lo podemos asociar a nuestra cuenta y de esta manera podemos tener localizados en tiempo real todos los rastreadores, ver el historial de rutas, etc.
El seguimiento lo podremos hacer desde cualquier sistema como un ordenador, teléfono o tableta. Puede iniciarse la sesión desde la página oficial de SinoTrack o descargar la aplicación «SinoTrack Pro» desde tu teléfono móvil.

Configuración del GPS Tracker ST-901M de SinoTrack
La configuración del dispositivo es muy sencilla, se realiza mediante comandos que enviaremos por SMS al localizador. Con apenas media docena de comandos lo tendremos listo para su uso, simplemente es seguir las instrucciones del manual o si prefieres te hemos preparado esta guía para que no se te pase ningún detalle.
✋🏼 Antes de nada
Antes de empezar, te recomendamos que no te lances con la instalación en el vehículo y que hagas la configuración en casa con tranquilidad. De esta manera seguro que te evitas quebraderos de cabeza.
Los dispositivos que incluyen batería suelen llegar con algo de carga, normalmente suficiente para poder hacer el proceso de configuración. Aunque si es la primera vez que realizas este proceso te recomendamos que cargues la batería al 100% o dejes alimentado al rastreador, porque seguro que tardaremos un poco más. Así evitaremos configuraciones a medias y tener que volver a empezar de nuevo por no recordar dónde nos habíamos quedado.
Para alimentar al rastreador GPS es muy fácil, simplemente habría que conectar sus cables de alimentación (rojo y negro) a una batería externa. El rango de funcionamiento va desde los 6v a los 60v. Para ello podemos utilizar desde fuentes de alimentación, baterías de coche o moto, las famosas pilas de 9v e incluso colocando 6 pilas AAA de 1,5v en serie.
💳 La tarjeta SIM
Para empezar a configurar el rastreador es necesario ponerlo en marcha y para ello lo que tenemos que hacer es insertar la tarjeta SIM, que como comprobaras hace de interruptor. Si esta insertada funciona y si no estará apagado.
Pero antes de realizar esta operación es muy importante asegurarnos de desactivar el código de seguridad PIN de la tarjeta. Sino esta desactivado el código PIN el rastreador no podrá conectarse a la red móvil y nos saldrá siempre el contestador automático porque el número no esta disponible. Para desactivarlo puedes hacerlo con tu teléfono móvil.
Una vez insertada la tarjeta SIM comenzaran a parpadear 2 LEDs, uno de color azul correspondiente a la conectividad GPS y otro naranja que nos indicará si esta conectado a la red móvil GSM.
Así que mientras parpadean los LEDs significara que están buscando cobertura y en cuanto queden fijos será señal de que ya tienen conectividad. En caso de que el LED naranja siga parpadeando puede ser debido a que no tengamos cobertura móvil, no le hubiéramos quitado el código PIN o hayamos insertado la tarjeta SIM en una posición errónea.

Cable para cargador de Batería y Fusible

Conector rápido para sondear cables

Conector macho hembra para vehículos
Respecto a las tarifas móviles te recomendamos que le eches un ojo a este artículo donde te damos unos consejos y mostramos algunas tarifas interesantes.
⚙️ Cómo configurar el localizador GPS ST-901M Sinotrack
Para configurar nuestro rastreador enviaremos comandos por medio de SMS desde móvil. Al enviarle los SMS debemos de esperar unos segundos a que el rastreador nos conteste enviándonos un SMS de confirmación «SET OK» a nuestro teléfono en caso de todo hubiese ido bien. Sino lo hemos recibido, o bien recibimos «INVALID COMAND» seguramente habremos cometido un error, así que deberemos de volver a enviar dicho comando antes de pasar al siguiente.
Por si lo necesitas, aquí te dejamos el manual de usuario de los dispositivos SinoTrack con todos los comandos que soporta para su configuración, aunque si sigues al pié de la letra los siguientes pasos no tendrás ningún problema.
1. Funciones básicas que NO requieren de configuración
Una vez insertada la tarjeta SIM esperaremos unos segundos a que los LED dejen de parpadear. Puede que el LED azul (cobertura GPS) tarde un poco la primera vez, pero tranquilo, para las próximas veces tendrá las coordenadas memorizadas y solo tardará unos segundos en tener cobertura. Te aconsejamos que si estas en interiores te acerques a la ventana para que obtenga mejor cobertura GPS, suele ayudar.
Una vez operativo el GPS Tracker podemos obtener la ubicación de las siguientes maneras:
- Llamada telefónica: si le realizamos una llamada telefónica desde cualquier móvil y tras pasar un par de tonos, nos colgará y enviará un SMS con sus coordenadas en un link para ver la localización en Google Maps y una serie de datos del estado del dispositivo.
- Mandando SMS: recibiremos el mismo mensaje de texto si le enviamos un SMS con el comando 6690000. El comando es 669 con la contraseña 0000 que es la que trae de fábrica por defecto.

Tras realizar cualquiera de estas operaciones recibiremos el siguiente SMS con la siguiente información que explicamos:

DUDAS y CONSEJOS:
- Si cuando le hacemos una llamada al GPS Tracker y se encuentra dormido (SLEEP) y sin cobertura GPS (LED azul parpadeando FIX=V) nos enviará un SMS con la última posición conocida. Y en cuanto triangule satélites (LED azul encendido FIX=A) enviará un segundo SMS con la posición actualizada.
- El dato BAT es válido para todos aquellos GPS Tracker que dispongan de batería interna. Y siempre nos dará BAT=5 (100%) mientras este conectado a una fuente de alimentación externa, como una batería de coche, pilas, PowerBank, etc. En este caso al no disponer de batería interna lo obviamos.
- Puede ser evidente, aunque para evitar que cualquiera llame a nuestro GPS Tracker y le responda un SMS con toda esta información, lo mejor es no darle a nadie el número.
2. Comandos básicos para el SinoTrack ST-901M
Para la configuración básica enviaremos los siguientes comandos por medio de SMS desde nuestro móvil. Al enviarle los SMS debemos de esperar unos segundos a que el rastreador nos conteste enviándonos un SMS de confirmación «SET OK» en caso de todo hubiese ido bien. Sino lo hemos recibido, o bien recibimos «INVALID COMAND» seguramente habremos cometido un error, es muy importante volver a enviar dicho comando antes de pasar al siguiente para realizar la configuración de aquí en adelante.
2.1 Cambio de contraseña: 777CCCC0000
El primer comando y recomendado por seguridad es el de cambio de contraseña, ya que trae una de por defecto 0000 y es en todos los dispositivos la misma. Así evitaremos que accedan extraños y modifiquen la configuración. Comando 777 sustituir CCCC por la nueva contraseña y 0000 es la vieja contraseña que viene de fábrica por defecto.
2.2 Indicar números de contacto (hasta 3): TTTTTTTTTCCCC 1
Este comando sirve para configurar hasta 3 números de teléfono con los que queramos contactar en caso de alarma, veremos más adelante que podremos configurar las alertas para enviarles SMS o realizar llamadas a dichos números.
¿Cómo hacerlo? Debes de sustituir TTTTTTTTT por tu número de teléfono móvil, CCCC es vuestra contraseña. El 1 es de «primer contacto», podríamos reenviarle el mismo SMS o llamada a otro teléfono su añadimos un nuevo contacto. Por ejemplo, un 2 para un «segundo contacto» y un 3 para un «tercer contacto».
Para confirmar que hemos metido bien los números de teléfono o si quisiéramos recordar cuales hemos configurado con anterioridad podremos hacerlo con los siguientes comandos: C10# (consulta de contactos) ó RCONF (resumen de configuración).
Si nos hubiésemos confundido o deseamos borrar alguno de ellos, utilizaremos los comandos D101#, D102# ó D103# para borrar el que nos interese.
2.3 Modo SLEEP o REPOSO: SLEEPCCCC 2
Podemos dejar el GPS Tracker continuamente en funcionamiento para tener nuestro vehículo siempre localizado, pero esto supone un elevado consumo de corriente y posiblemente sino movemos el vehículo en unos días, habremos agotado su batería. Para evitar esto existe el comando SLEEP, que lo que va a hacer es poner en reposo el GPS Tracker cuando no detecte movimiento en el tiempo que le indiquemos.
Cuando entra en modo ahorro o reposo, el dispositivo no se apaga definitivamente, lo que hace es apagar el GPS (quedándose guardada la última posición obtenida) y deja de enviar reportes a la plataforma de seguimiento para así tener mayor autonomía. Mientras tanto sigue conectado a la red GSM y queda en modo espera de algún evento como, vibración, llegada de un SMS o llamada de teléfono, giremos el contacto del vehículo, … en ese momento saldrá del modo ahorro y volverá a encender el GPS y ha mandar los reportes a la plataforma de seguimiento.
El ahorro energético es de 10 veces menos en modo SLEEP, un valor más que considerable para tenerlo en cuenta. En condiciones de funcionamiento normal el GPS Tracker consume unos 50 mAh, pero en modo reposo ronda los 5 mAh.
Para configurarlo pondremos el siguiente comando SLEEP sustituir CCCC por tu contraseña y 2 son los minutos que esperar a que entre en modo ahorro. Siendo el rango de configuración entre 1 y 720 minutos.
Si por algún motivo quisiéramos desactivar este modo tan solo deberíamos de poner el comando SLEEPCCCC 0.
2.4 Cambio de Zona Horaria: 896CCCCE01
Comando 896 sustituir CCCC por tu contraseña y por ejemplo E01 es la zona horaria española. Éste comando sólo afecta al dato «HORA» de los mensajes SMS recibidos del GPS Tracker (por ejemplo, en respuesta al 669 que ya hemos visto), pero no al dato «HORA» en los reportes enviados a la plataforma de seguimiento, ya que al enviar los datos recibidos de los GPS la «HORA» va incluida correctamente por la triangulación realizada.
Para otros países debemos de buscar en el mapa la diferencia horaria al UTC, por ejemplo, Perú, Colombia o Ecuador es 05, por defecto es 00 el meridiano de Greenwich y de ahí te tienes que poner una «E» si es hacia el Este o una «W» si es hacia el Oeste. El caso de estos países es 05 horas al Oeste, entonces el comando a enviar sería: 896CCCCW05.

3. Comandos para reportar a la plataforma de seguimiento
Si has llegado hasta aquí es que has terminado de configurar tu GPS Tracker del modo más sencillo, recibirás una llamada o un SMS cada vez que quieras conocer su ubicación. Aunque te recomiendo que sigas leyendo para sacar el máximo potencial de este dispositivo porque tiene mucho que aportarnos. Verás que no es complicado, ¡ánimo!
3.1 Modo GPRS ON/OFF: 710CCCC – 700CCCC
710CCCC
Comando 710 y sustituir CCCC por tu contraseña. Con el comando 710 se activa el «modo GPRS» del GPS Tracker. Con este modo activado lo que estamos haciendo es activar el uso de la red de datos del dispositivo. Así que desde este momento podrá reportar la ubicación a la plataforma de seguimiento a través de la red móvil.
700CCCC
Se desactiva el «modo GPRS», dejará de enviar reportes a la plataforma de seguimiento. Solo nos responderá con la ubicación a través de SMS o llamadas tal como habíamos visto anteriormente.
3.2 Configuración del APN: 803CCCC telefonica.es telefonica telefonica
803CCCC[APN de operador] [usuario] [contraseña]
Tenemos que configurar el APN de nuestro operador en el rastreador. Pero, ¿Qué esto del APN? Es el Access Point Net o en castellano Punto de Acceso a la Red. Para entenderlo vamos a poner el siguiente ejemplo: Nos encontramos en una estación de autobuses con un billete que hemos comprado para viajar a otra ciudad, pues el billete es como si fuera el código de APN que te permite entrar en uno de los autobuses para llegar a tu destino.
El APN es distinto para cada operador y normalmente consta de un usuario y contraseña, aunque dependiendo del operador puede que no sea necesario usarlas. En este Link podrás encontrar todos los datos de configuración de las operadoras en España.
Para configurar el APN lo haremos mediante el comando 803 y sustituir CCCC por tu contraseña, dejar un espacio y poner el APN (por ejemplo telefonica.es) seguido del usuario (telefonica) y la contraseña (telefonica) también con espacios entre medias. Si tu operadora no usa usuario y contraseña estos los dejas en blanco.
3.3 Reportar a la plataforma de seguimiento: 804CCCC 45.112.204.245 8090
804CCCC[IP o dominio] [puerto]
Este comando nos permite indicar a que servidor de internet tenemos que enviar nuestros reportes y para ello debemos de de indicar la dirección pública o dominio de la plataforma de seguimiento junto con el puerto al que atacar.
Comando 804 y sustituir CCCC por tu contraseña, luego indicar el dominio oIP pública (x.x.x.x) del servidor y finalmente incluir el número de puerto. Estos datos serán facilitados por el fabricante en el manual de instrucciones en el caso de SinoTrack, pero si estas interesado en otras plataformas de seguimiento deberas de informarte. Por ejemplo, tienes la opción de usar Traccar, una plataforma muy interesante de usar.
3.4 Configuración de los reportes: 805CCCC 5 – 809CCCC 5
Existen dos formas de reportar la posición a la plataforma de seguimiento, bien cuando el Tracker detecta que la llave esta girada en la posición de encendido «ON» (805CCCC 5) o bien cuando no hemos dado el contacto «OFF» (809CCCC 5). Por ejemplo, si nos está remolcando el vehículo. Por defecto ambas opciones están configuradas a 30 segundos, pero podemos bajarlos hasta 5 segundos y así obtendremos una mayor precisión de nuestras rutas.
805CCCC 5 (reportes con llave en ON)
Se da cuando tenemos la moto encendida y el GPS Tracker detecta a través del cable naranja (ACC) que el contacto esta en ON. Para configurarlo usaremos el comando 805 sustituye CCCC por tu contraseña y 5 (rango de 5 a 480 segundos) serán los segundos de intervalo de cada reporte. Pero si pones 0 deshabilitarás el envío de datos.
809CCCC 5 (reportes con llave en OFF)
Se da cuando tenemos la moto apagada o por ejemplo no hemos conectado el cable naranja ACC a ningún sitio, como si estuviera siempre apagada con el contacto apagado. Así que para que nos reporte la posición si detecta una vibración hay que configurar el comando 809 sustituyendo CCCC por tu contraseña y 5 (rango de 5 a 480 segundos) serán los segundos de intervalo de cada reporte. Pero si pones 0 deshabilitarás el envío de datos.
Pues hasta aquí es la configuración para que el GPS Tracker reporte a la plataforma de seguimiento. Ahora tan solo debemos de enviarle el comando RESTART para reiniciar el equipo y se apliquen los cambios realizados. Es aconsejable el reinicio siempre que cambiemos cosas de la configuración como el APN, IP y puerto.
3.5 Reinicio del GPS Tracker: RESTART
Comando para reiniciar el dispositivo. Es tal cual, no necesita contraseña 😉
El comando CQ puede ser equivalente al RESTART en algunos dispositivos.
4. Otros comandos interesantes para configurar tu GPS Tracker de SinoTrack
Hasta aquí la configuración para que nuestro GPS Tracker pueda reportar a la plataforma de seguimiento, además de que nos facilite su posición a través de SMS o llamada telefónica. Pero no acaba aquí la cosa, existen multitud de comandos que nos pueden aportar muchas más funcionalidades, ¡veámoslos!
COMANDOS ESPECIALES
4.1 Configuración actual: RCONF
RCONF
Como ya hemos visto, nos envía un par de SMS con su configuración actual. Nos facilita datos como el tipo de dispositivo, el identificador, teléfonos almacenados, que alarmas están activadas o no, además de todos los datos de la configuración que hemos visto anteriormente.
4.2 Reinicio del GPS Tracker: RESTART
Comando para reiniciar el dispositivo. Es tal cual, no necesita contraseña. El comando CQ puede ser equivalente al RESTART en algunos dispositivos.
4.3 Resetear o Formatear de fábrica: RESET o FORMAT
RESET o FORMAT
Tened cuidado con este comando, se usa para formatear el dispositivo y dejarlo con la configuración de fábrica. Un a vez recibamos el «RESET OK» deberemos de volver a configurar nuestro dispositivo tal como hemos visto anteriormente.
COMANDOS PARA ACTIVAR ALARMAS POR EVENTOS
En este apartado vamos a ver multitud de comandos para que nuestro SinoTrack nos envíe SMS o llamadas telefónicas cuando se produzcan los siguientes eventos:
4.4 Activación / Desactivación de SMS por eventos: 712CCCC – 713CCCC
712CCCC
Comando 712 y sustituye CCCC por tu contraseña. Por defecto viene activado de fábrica. Éste comando es MUY IMPORTANTE TENERLO ACTIVADO en nuestro GPS Tracker si queremos recibir los avisos por SMS de alarmas como:
- 011 – Batería Baja
- SLEEP – Si sale del modo reposo
- 665 – Reporte diario programado
- 181 – Aviso de Grúa
- 211 – Salida de Geovalla
- 886 – Contacto en ON
713CCCC
Comando 713 y sustituye CCCC por tu contraseña. Desactiva el comando anterior. De esta manera no recibiremos SMS por eventos o cambios de estado del GPS Tracker, puede ser útil si no disponemos de una tarifa plana de SMS, así nos ahorramos un dinerillo.
4.5 Activación / Desactivación de llamadas por eventos: 150CCCC – 151CCCC
150CCCC (VOICE: ON)
Comando 150 y sustituye CCCC por tu contraseña. Por defecto viene activado de fábrica.
En caso de alarma o eventos el GPS Tracker realizará una llamada al teléfono principal para los siguientes casos/comandos:
- 011 – Batería Baja
- 66 – Modo de escucha (solo válido para ST-906)
- 181 – Aviso de Grúa
- 211 – Salida de Geovalla
- 888 – Contacto en ON
- SOS – Llamada de emergencia
151CCCC (VOICE: OFF)
Desactiva el comando anterior y no se realizarán llamadas con los eventos/alarmas comentados.
4.6 Batería baja: 011CCCC – 010CCCC
011CCCC
Cuando el GPS Tracker deja de estar alimentado de manera externa (que los amigos de lo ajeno hayan desconectado la batería del coche o la moto, o simplemente se ha agotado) recibirás un SMS de «STATE: POWER OFF», además nos hará en ese momento una llamada a nuestro móvil principal (ver comando 150). En este momento si nuestro GPS Tracker dispone de mini batería tirara de ella hasta q conectemos la principal o la recarguemos. La mini batería tiene una duración de unas 4 horas en caso de que este en movimiento y entorno 1 día y medio en modo SLEEP.
010CCCC
Comando 010 y sustituye CCCC por tu contraseña. Desactiva la alarma anterior.
Independientemente de que tengamos o no configurados estos comandos (011 y 010) el GPS Tracker nos enviará un SMS cuando su mini batería interna este a punto de agotarse (0%) con el texto STATE: LOW POWER y sus últimas coordenadas justo antes de apagarse.
4.7 Distancia acumulada: 143CCCC
142CCCC
Comando 142 y sustituye CCCC por tu contraseña. Sirve para reiniciar el contador de distancia a 0.
142CCCCM1000 [metros]
Comando 142 sustituye CCCC por tu contraseña y M1000. Sirve para reiniciar el contador de distancia a una distancia especifica, en este caso a 1.000 metros.
143CCCC
Comando 143 y sustituye CCCC por tu contraseña. Comando para consultar la distancia acumulada.
4.8 Alarma de velocidad Máxima: 122CCCC 120
122CCCC 120 [rango de 0 a 999]
Comando 122 sustituye CCCC por tu contraseña y 120 es la velocidad limite que fijamos. Comando para activar el aviso por SMS de «STATE: OVER SPEED» al superarse la velocidad máxima de 120Km/h.
122CCCC 0
Comando 122 sustituye CCCC por tu contraseña y 0. Desactiva la alarma de velocidad máxima.
4.9 Reporte diario: 665CCCCHHMM – 665CCCCOFF
665CCCCHHMM
Comando 665 sustituye CCCC por tu contraseña y HHMM es la hora y minutos a la que queremos recibir los reportes diariamente vía SMS «STATE:REPORT» (ver comando 712).
665CCCCOFF
Comando 665 sustituye CCCC por tu contraseña y OFF. Desactiva los reportes diarios programados.
4.10 Alarma de Entrada / Salida de Geovalla: 055CCCC 500
211CCCC
Comando 211 y sustituye CCCC por tu contraseña. Comando para activar el aviso por SMS (ver comando 712) «STATE: OVER FENCE» y nos hará una llamada de teléfono (ver comando 150) al entrar o salir de la zona (geovalla) que definiremos con el siguiente comando en metros.
005CCCC 500
Comando 005 sustituye CCCC por tu contraseña y 500 son los metros del radio circular, siendo la posición actual el centro del circulo. Es MUY IMPORTANTE que el GPS Tracker tenga cobertura GPS para ejecutar correctamente este comando, por lo que recomendamos realizar está operación en el exterior.
Un ejemplo practico, si cuando enviamos el comando 005 el localizador se encuentra en nuestra vivienda/garage, cuando se acerque o aleje de la distancia de 500 metros, nos enviará un SMS para avisarnos.
210CCCC
Comando 210 y sustituye CCCC por tu contraseña. Comando para desactivar los avisos por entrada o salida de la geovalla.
¿Tú GPS Tracker SinoTrack dispone del cable ACC (naranja)? Tienes más comandos útiles
Si tu rastreador GPS de SinoTrack tiene el cable de contacto ACC (Naranja) y lo tienes conectado, puede que te interesen los siguientes comandos.
4.11 Alarma de contacto ACC ON: 886CCCC – 888CCCC
886CCCC
Comando 886 y sustituye CCCC por tu contraseña. Activando este comando recibiremos un SMS «STATE: ACC ALARM» cada vez que la llave de contacto gire a la posición de encendido «ON» (ver comando 712).
887CCCC
Comando 887 y sustituye CCCC por tu contraseña. Comando para desactivar la alarma de SMS por contacto en «ON».
888CCCC
Comando 888 y sustituye CCCC por tu contraseña. Comando para que nos haga una llamada de teléfono cuando la llave de contacto se gire a la posición de encendido «ON» (ver comando 150).
889CCCC
Comando 889 y sustituye CCCC por tu contraseña. Comando para desactivar la alarma de llamada telefónica por contacto en «ON».
4.12 Aviso de grúa: 181CCCCT90
181CCCCT90
Comando 181 sustituye CCCC por tu contraseña y 90 son los segundos de espera «TOW ALERT ON» antes de enviar el SMS con el texto «STATE: SHOCK ALARM», el SMS se enviara mientras detecte movimiento durante esos 90 segundos sin que el contacto este dado «OFF». El rango de tiempo va desde los 1 a 720 segundos, pero tened en cuenta que necesita que triangule el GPS, así que un valor recomendado para que envíe la posición correctamente es ponerlo de 60 a 90 segundos como mínimo.
180CCCC
Comando 180 y sustituye CCCC por tu contraseña. Comando para desactivar la alarma de aviso de grúa «TOW ALERT OFF«.
Cómo configurar el cortacorrientes del ST-901M
Si tu GPS Tracker dispone de un cortacorriente podrás armar y desarmar el relé para abrir el contacto “OFF”, o apagar la bomba de gasolina para que tu vehículo se pare al mandar el siguiente comando.
4.13 Cortacorrientes Activa / Desactiva Relé: 940CCCC – 941CCCC
940CCCC
Comando 940 y sustituye CCCC por tu contraseña. Este comando es abrir el circuito de encendido, bomba de gasolina, … mediante un relé. Este tipo de funcionalidad lo soportan el ST-9101 Mini y ST-906.
941CCCC
Comando 941 y sustituye CCCC por tu contraseña. Comando para volver a montar el relé de encendido.
Y si aún así te queda alguna duda, en este video seguro que encuentras todas las respuestas para ponerlo en funcionamiento. Porque todos los dispositivos de la marca SinoTrack se configuran de la misma manera ¡Verás que es muy fácil! ¡Animó!
Cómo Instalar el GPS Tracker ST-901M de SinoTrack
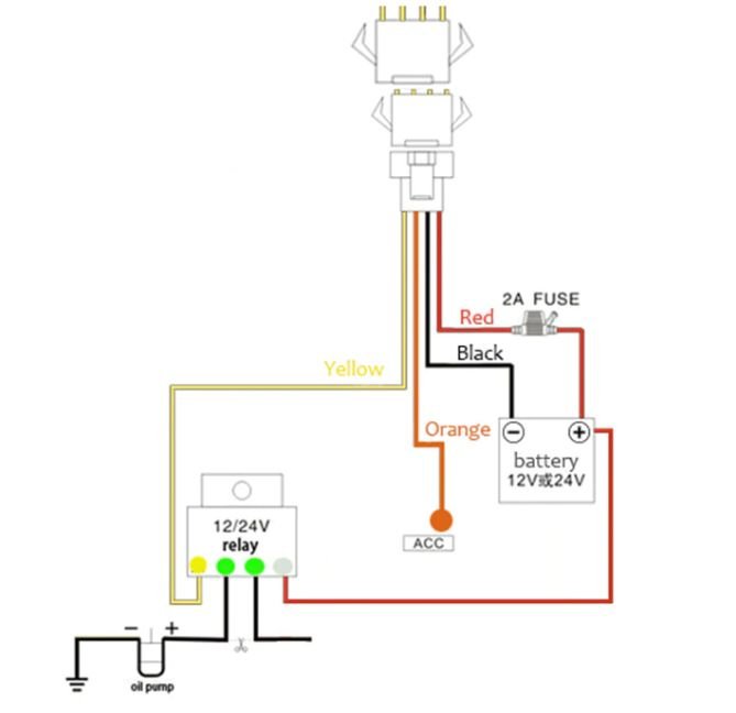
Respecto a la conexión eléctrica es muy sencilla. Tan solo dispone de 4 cables, dos (rojo y negro) de ellos son para la alimentación principal que deberemos de conectar a la batería de nuestro vehículo.
El tercer cable naranja (ACC) debe de conectarse al contacto de nuestro vehículo para saber si está encendido. Pero si para ti es difícil identificarlo en tu vehículo hay otras opciones, podemos buscar otro conector que pase de 0 a 12 voltios cuando encendemos el coche. Esta es otra manera de simular el contacto.
Nos quedan los cables del Relé. Los cables verdes son lo que conectaremos a cada extremo del cable que acabamos de cortar haciendo de interruptor, bien el de la bomba de gasolina o contacto del coche. El cable amarillo del rastreador es el que le envía la orden de activación o desactivación del relé (interruptor). El cable rojo del relé debe de ir a la alimentación (positivo de la batería para que este siempre alimentado). Véase siguiente figura en caso de dudas.

Pero si aún así te han quedado dudas, te hemos preparado este video para que te sirva de ejemplo y lo puedas replicar con total tranquilidad en tu casa.
Para realizar un montaje con un resultado profesional os facilitamos algunos de los componentes que recomendamos para el montaje, desde cables para la alimentación con fusibles integrados, hasta conectores rápidos en forma de T para sondear un cable, o los conectores estándar de coche y motocicleta.

Cable para cargador de Batería y Fusible

Conector rápido para sondear cables

Conector macho hembra para vehículos
Características técnicas ST-901M SinoTrack

| ST-901M 2G GPS tracker | |
| Posicionamiento | |
| ⋅ Sistema GPS: | Si |
| ⋅ Chip GPS: | UBLOX 7270 |
| ⋅ Sensibilidad GPS: | -162 dBm |
| ⋅ Precisión GPS: | 5 metros |
| ⋅ Arranque frío: | 35 seg |
| ⋅ Arranque standby: | 30 seg |
| ⋅ Arranque funcionando: | 1 seg |
| Redes móviles | |
| ⋅ Tecnología acceso: | 2G: 850/900/1800/1900 Mhz |
| Control de energía | |
| ⋅ Alimentación: | DC 9 a 60 v |
| ⋅ Batería auxiliar: | No |
| ⋅ Autonomía batería auxiliar: | – |
| Autonomía batería auxiliar standby: | – |
| Funcionalidades | |
| ⋅ Seguimiento en tiempo real: | Si |
| ⋅ App móvil: | Si |
| Peso y dimensiones | |
| ⋅ Ancho: | 25 mm |
| ⋅ Largo: | 75 mm |
| ⋅ Alto: | 10 mm |
| ⋅ Peso: | 50 gr |
| ⋅ Impermeable: | No, parcialmente |
¿Qué opinión tienes del localizador ST-901M de SinoTrack?
Opiniones de los usuarios
Entre los clientes de Aliexpress lo han dejado bien claro: es uno de los mejores localizadores GPS para coches y motos del mercado, demostrándolo por los miles de ventas y valoraciones registradas del producto.
Con un precio insuperable en su versión 2G se encuentra a la altura de los usuarios mas exigentes por su calidad, fiabilidad y precisión de posicionamiento GPS, siendo un icono de garantía para su compra.
Bueno! Bonito! Barato!
Excelente artículo ya lo he comprado varias veces para los coches de casa. Funciona bastante bien, es muy estable y no da problemas. Además funciona en varias plataformas de seguimiento.




